《妻子与瑜伽教练》主演是谁,芳草地影院免费高清电视剧,战狼行动2蓝衣战神

Pietra Calacatta

雅科贝思 直线电机 无刷无铁芯电机

设计特点: A.无铁芯技术 B.无齿槽力 C.专利技术 D.电机常数高 E.高持续推力和峰值力 可选性:可定制 规格/3D图纸 AUM1 AUM2 尺寸图 AUM1 AUM2

详细介绍

设计特点:
 
     A.无铁芯技术
     B.无齿槽力
     C.专利技术
     D.电机常数高
     E.高持续推力和峰值力
 
可选性:可定制


规格/3D图纸

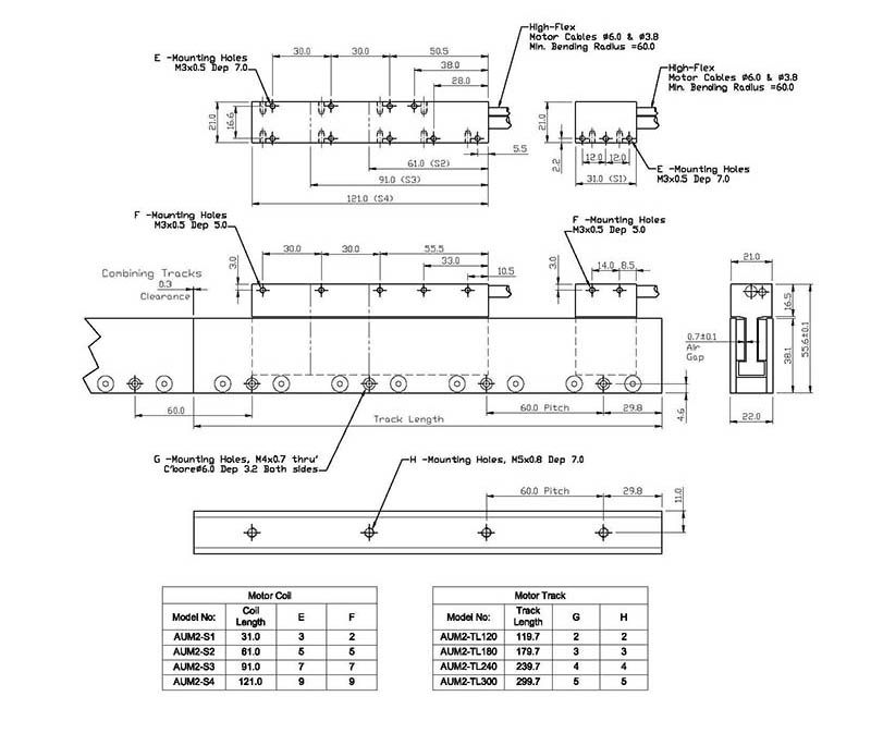
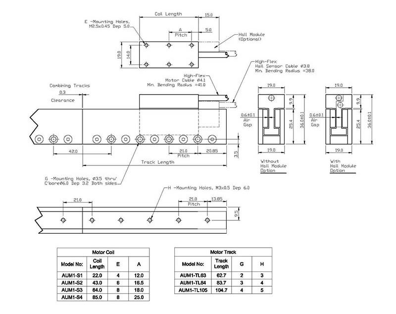
AUM1


AUM2


尺寸图
AUM1


AUM2

 

图片欣赏

宽田科技 ?2013-2024(0826wp.cn)

本站关键词:工业机器人丨伺服电机丨直线电机丨DD马达丨模组丨视觉传感器丨传感器丨气缸丨电磁阀丨真空吸盘丨真空发生器丨拖链
主站蜘蛛池模板: 奉新县| 台州市| 湛江市| 应用必备| 攀枝花市| 讷河市| 营山县| 涟水县| 襄垣县| 陈巴尔虎旗| 泗阳县| 丹江口市| 佛冈县| 平遥县| 清苑县| 敖汉旗| 阜城县| 称多县| 茶陵县| 江源县| 铁岭市| 沽源县| 澳门| 全州县| 通榆县| 鹿泉市| 绥宁县| 喀喇沁旗| 博客| 泗洪县| 温宿县| 永吉县| 扎鲁特旗| 广汉市| 潞城市| 印江| 谷城县| 锦州市| 平顶山市| 延庆县| 棋牌|